BHP5000N Series - Pneumatic Pump
Hydraulic Equipement
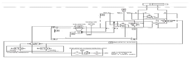
BHP5000N Series - Hydraulic Torque Wrench Pump
BOLTORQ’s BHP5000N Series Pneumatic Pump offers dual flow rates,
3 KW motor, 700 bar pressure, and pneumatic controls for hydraulic wrenches.
Features & Specifications
The BHP5000N Series Pneumatic Pump by BOLTORQ features dual flow rates of 0.98 lpm and 8 lpm, a 3 KW motor at 3000 rpm, and operates at 700 bar. Weighing 30 kg, it has a 5-liter tank with 4 liters usable volume and G ¼” BSPP ports. The pneumatic controls support 128-150 cfm airflow.
- Pump Flow : 0.98 (P1) lpm + 8 (P3) lpm (Duel Radial Piston Pump)
- Pneumatic Motor : 3 KW, 3000 rpm
- Weight of the Power Pack : 30 Kg w/o oil (approx.)
- Tank Capacity : 5 liter
- Usable Volume : 4 liter
- Max System Pressure (Hydraulic) : 700 bar
- Return Line Pressure : 100 bar
- Unloading Pressure : 70 bar
- Port Sizes : A and B To Suit G 1⁄4” BSPP
- Power Pack is Pneumatically Operated with Controls
- Air Unit Specification :-
1) Air Free Flow (cfm) :- 128-150 cfm,
2) Motor Power (kW) :- 3,
3) RPM :- ~3000

Related Products
Our Similar Products
Our products include advanced hydraulic and electric equipment, precision in-situ machines, and high-quality brass products for industrial applications.

Hydraulic Equipements
Explore our efficient, high-performance hydraulic equipment. Hover here to know more.
Hydraulic Equipements
Our hydraulic equipment features torque wrenches, bolt tensioners, and pumps for reliable performance.

In Situ Machining
Explore our in-situ machining for precise on-site solutions. Hover to learn more.
In Situ Machining
Our in-situ machining includes online boring machines, flange facing machines, and auto bore welding equipment.

Electric Equipements
Explore our electric equipment for high performance. Hover here to learn more.
Electric Equipements
Our electric equipment includes torque wrenches, calibrators, and more for precise, efficient performance.

Brass Components
Explore our brass parts and components for quality and durability. Hover to learn more.
Brass Products
Our brass products include auto parts, linked components, hardware, machined parts, and more. Explore now.





