BHP5000 Series – Hydraulic Torque Wrench Pump
BHP5000 Series - Electric Pump
Hydraulic Equipement
BHP5000 Series - Hydraulic Torque Wrench Pump
BOLTORQ’s BHP5000 Series Electric Pump offers dual flow rates,
high pressure, and efficient operation, ideal for hydraulic torque wrenches.
Features & Specifications
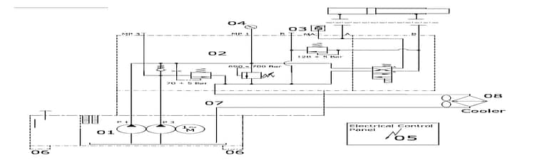
BHP5000 Series Electric Pump by BOLTORQ features a dual flow rate of 0.98 lpm and 8.6 lpm, driven by a 1.1 KW motor at 230V and 50Hz. It weighs approximately 35 kg without oil and has a 6-liter tank with 3 liters usable volume. Operating at a maximum pressure of 700 bar, it includes a 24V DC solenoid control voltage, a 230V AC control pendant, and ¼” BSPP port sizes. Recommended hydraulic oil is ISO VG 68.
- Pump Flow – 0.98 lpm+8.6 lpm (Radial Piston Pump/Gear Pump)
- Motor – 1.1 KW, 1PH, 230V, 50HZ (2770 rpm)
- Weight of the Power Pack :- 35Kgs w/o oil (Approx.)
- Tank Capacity – 6 Littre
- Usable volume – 3 Littre
- Max System Pressure – 700 Bar
- Return line pressure – 90 Bar
- Unloading pressure – 70 Bar
- Control voltage for solenoid – 24V DC
- Control pendant will be of 230V AC
- Port sizes – A and B : ¼” BSPP
- Hydraulic oil recommended to be used ISO VG 68

Related Products
Our Similar Products
Our products include advanced hydraulic and electric equipment, precision in-situ machines, and high-quality brass products for industrial applications.

Hydraulic Equipements
Explore our efficient, high-performance hydraulic equipment. Hover here to know more.
Hydraulic Equipements
Our hydraulic equipment features torque wrenches, bolt tensioners, and pumps for reliable performance.

In Situ Machining
Explore our in-situ machining for precise on-site solutions. Hover to learn more.
In Situ Machining
Our in-situ machining includes online boring machines, flange facing machines, and auto bore welding equipment.

Electric Equipements
Explore our electric equipment for high performance. Hover here to learn more.
Electric Equipements
Our electric equipment includes torque wrenches, calibrators, and more for precise, efficient performance.

Brass Components
Explore our brass parts and components for quality and durability. Hover to learn more.
Brass Products
Our brass products include auto parts, linked components, hardware, machined parts, and more. Explore now.





